Benutzer-Werkzeuge

Webseiten-Werkzeuge


prozessmodellierung:modellierungshaus:bpmn_2.0_ebenenmodell_aus_epk

BPMN 2.0 Ebenenmodell aus EPK

3. Ebene

Das in diesem Abschnitt gezeigte BPMN-Diagramm ist eine Abbildung des EPK-Diagramms, das sich auf der ARIS-Ebenenmodell-Seite befindet. Es wurde nach den Konvertierungsregeln erstellt, die für die Überführung von EPK-Modellen in BPMN-Modelle konzipiert wurden. Die Funktionen und Konnektoren aus dem EPK-Modell sind eins zu eins übernommen und finden sich als Blankoaufgaben und Gateways in dem BPMN-Diagramm wieder. Die Abbildung von Ereignissen bedarf einer differenzierten Behandlung. Es wurden zunächsts die Prozessschnittstellen als Start- und Endereignisse mit den Bezeichnungen übernommen. Da es sich um betriebswirtschaftliche Bedingungen für den Start des Prozesses handelt, sind sie entsprechend typisiert gezeichnet worden. Da die Prozessschnittstelle am Ende des Prozesses lediglich den Übergang zum nächsten Prozess darstellt, wurde es als Blankoendereignis abgebildet. Die Ereignisse primitiver Natur, die lediglich den Abschluss einer Funktion auszeichnen, wurden ausgelassen. Lediglich ein Ereignis, das für den betriebswirtschaftlichen Zustand und Ablauf des Prozesses eine Bedeutung hat, ist als ein Prozessmeilenstein in Form eines auslösenden Blankozwischenereignisses modelliert worden. Die Ereignisse, die in dem EPK-Modell die Bedingungen für die Fallunterscheidung bzw. Ablaufverzweigung formulieren, wurden nicht übernommen. Stattdessen sind die Bedingungen an die aus dem XOR-Gateway auslaufenden Kanten angefügt worden.

Klicken Sie auf das Bild, um es zu vergrößern!

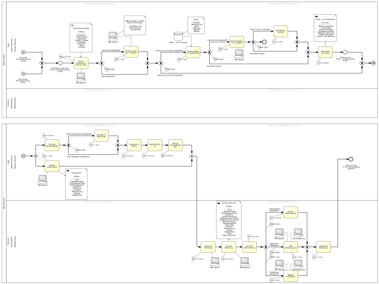
4. Ebene

Auf der Ebene 4 wird das Geschäftsprozessmodell um einige weitere Elemente ergänzt. Den Funktionen in dem EPK-Diagramm werden Organisationseinheiten, IT-Systeme und Datenobjekte zugeordnet. Die an den Aufgaben beteiligte Stellen und Einheiten geben die Rollen im BPMN-Modell in Form von Swimlanes wieder. Die Abbildung von IT-Systemen, Datenspeichern und sonstiger Datenobjekte wie z.B. Dokumente erfolgt durch das Vorhandensein von entsprechenden Pendants in beiden Notationen sehr einfach. Ob ein Datenobjekt für die Bearbeitung der Aufgabe hinzugefügt oder in der Aufgabe erzeugt wird, kann durch gerichtete Datenflusspfeile bzw. Input-, Outputpfeile gekennzeichnet werden.

Klicken Sie auf das Bild, um es zu vergrößern!

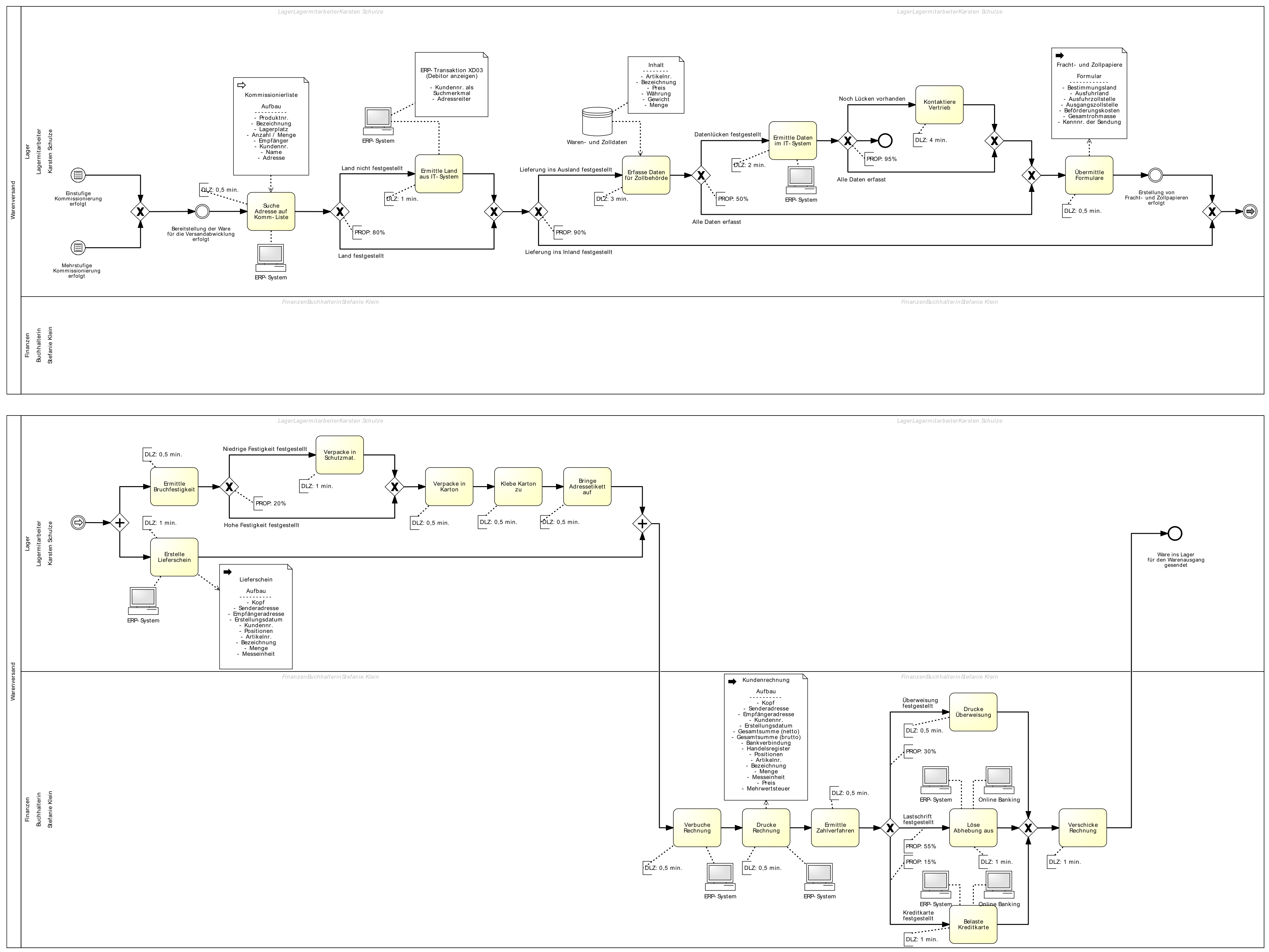
5. Ebene

In der fünften Ebene werden die Geschäftsprozessabläufe konkretisiert und detaillierter beschrieben. Sie müssen genauso wie in anderen Ebenen direkt aus dem EPK-Modell übernommen werden. Ereignisse, die auf abstrakteren Ebenen als trivial erschienen, können in dem Modell auf fünfter Ebene als Meilensteine dienen und im BPMN-Diagramm zum Einsatz kommen. Der Inhalt von Datenobjekten, der in EPK-Diagrammen in Form von Notizen visualisiert wird, sollte in BPMN-Diagrammen direkt in die Datenobjekte aufgenommen werden. Die Durchlaufzeiten von Aufgaben und die Wahrscheinlichkeitsangaben bei Ablaufverzweigungen müssen im BPMN-Modell in den Kommentaren zu den Aufgaben und Gateways bzw. entsprechenen Kanten wieder auftauchen.

Klicken Sie auf das Bild, um es zu vergrößern!

Modellierungshaus

prozessmodellierung/modellierungshaus/bpmn_2.0_ebenenmodell_aus_epk.txt · Zuletzt geändert: von jayong